TGL 16563 – DDR Motorschutzschalter ESG

TGL 16563 DDR MotorschutzschalterDie DDR TGL 16563 beschreibt Motorschutzschalter bis 10A Stromstärke, also kontaktgebende Niederspannungsschaltgeräte. Die Motorschutzschalter besitzen drei Schließer. Der Anschluss erfolgt über einen Klemmanschluss für Schraubbefestigung nach der DDR Norm TGL 21626 für Leiternennquerschnitte von 1,0 bis 2,5mm². Die Schalthäufigkeit beträgt mindestens 30 Schaltspiele pro Stunde. Die Anzahl und Art der Schaltglieder sind drei Schließer.

TGL 16563 – Leistungsangabe der DDR Motorschutzschalter

  • Nennspannung 500V
  • Nennstrom 10A
  • Nennfrequenz 50Hz
  • Verwendungsklasse AC-3
  • Nennschaltstrom bei Nennspannung von 500V: 10A

Überstromauslösung der Motorschutzschalter

Die jeweiligen Werte können an einem kleinen Rädchen direkt am Motorschutzschalter eingestellt werden. Die verfügbare Klassifizierung der Schalter nach TGL 16563:

laufende Nummer Einstellbereich
0 0,16A – 0,25A
1 0,25A – 0,4A
2 0,4A – 0,6A
3 0,6A – 1,0A
4 1,0A – 1,6A
5 1,6A – 2,5A
6 2,5A – 4,0A
7 4,0A – 6,0A
8 6,0A – 10,0A

Die laufende Nummer wird verwendet, um eine eindeutige Bezeichnung des Motorschutzschalters bei der Bestellung anzugeben.

Ausführungen der Motorschutzschalter nach TGL 16563

Die Motorschutzschalter sind in verschiedenen Ausführungen erhältlich. Die nachfolgenden Abbildungen (Quelle: TGL Blatt 16563) zeigen die Abmessungen der jeweiligen Ausführungen. Ausgewählte Bilder der einzelnen Ausführungen sind weiter unten dargestellt.

Motorschutzschalter TGL 16563 ohne Gehäuse

TGL 16563 Motorschutzschalter ohne GehaeuseDie DDR Motorschutzschalter nach TGL 16563 gibt es mit allen Einstellbereichen ohne Gehäuse und Frontplatte. Diese Ausführungsform wurde bei der Herstellung mit “0” angegeben und diente bei der Bestellung von Motorschutzschaltern als eindeutige Kennzeichnung. Aktuell sind noch viele Einstellvarianten der Schalter ohne Gehäuse und Frontplatte noch erhältlich. Allerdings sind keine Schwenkhebel verfügbar. Der Schutzgrad ist IP00.

Motorschutzschalter mit Frontplatte aus Kunststoff oder Aluminium

TGL 16563 Motorschutzschalter mit FrontplatteDie Ausführung der Schalter mit Frontplatte gibt es, wie die Ausführung im Gehäuse,  mit zwei verschiedenen Materialien – Formstoff / Kunststoff oder Aluminium. Der Schutzgrad ist IP00 – von der Betätigungsseite aus jedoch mindestens IP30. Die Bezeichnung für die Ausführung ist für eine Frontplatte des Motorschutzschalters aus Kunststoff die “1” und für Aluminium die “2”. Bei der Frontplatte aus Aluminium ist in der Abbildung die Schutzleiteranschlussstelle zu erkennen.

DDR Motorschutzschalter ESG im Gehäuse

TGL 16563 Motorschutzschalter mit GehaeuseDie Ausführung im Gehäuse hat den Schutzgrad IP54. Hier gibt es für das Gehäuse ebenso zwei Ausführungen. Die Ausführung mit einem Kunststoffgehäuse hat die Ausführungsbezeichnung “3”, während die Ausführung im Aluminiumgehäuse die Kennzeichnung “4” erhielt. Auf der Oberseite der Gehäuse ist eine Leitungszuführung der Größe Pg 16 zu finden. An der Unterseite ist je nach Ausführung eine (Kunststoffgehäuse) oder zwei (Aluminiumgehäuse) Leitungszuführungen derselben Größe Pg 16 eingebracht. Beim Aluminiumgehäuse ist ebenso noch die Schutzleiteranschlussstelle kenntlich gemacht.

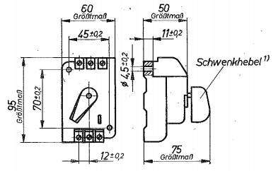
Anschlussmaße und Masse der Schalter nach TGL 16563

TGL 16563 Motorschutzschalter AnschlussmasseAuf der Abbildung sind die Anschlussmaße für die DDR Motorschutzschalter in der Ausführung mit Frontplatte zu erkennen. Die Masse der Schalter ist wie folgt:

  • Ausführung 0 – Masse ca. 0,220 kg
  • Ausführung 1 mit Frontplatte aus Kunststoff  – Masse ca. 0,290 kg
  • Ausführung 2 mit Frontplatte aus Aluminium – Masse ca. 0,370 kg
  • Ausführung 3 mit Gehäuse aus Kunststoff – Masse ca. 0,450 kg
  • Ausführung 5 mit Gehäuse aus Aluminium – Masse ca. 0,750 kg

Datenblatt – Bezeichnungsschema der Motorschutzschalter

Neben der Angabe, die für alle Schalter gleich ist (500V und 10A) sind aus der Ausführung des Motorschutzschalters sowie der o.g. laufenden Nummer des Einstellungsbereichs die Bestellangaben zu bilden.

  • Beispiel für Ausführung im Kunststoffgehäuse (3) und Einstellbereich 0,4A – 0,6A (2)
    Motorschutzschalter 500/10 – 32 nach TGL 16563
  • Beispiel für Ausführung mit Aluminiumfrontplatte (2) sowie Einstellbereich 6,0-10,0A (8)
    Motorschutzschalter 500/10 – 28 nach TGL 16563
  • Beispiel für Ausführung ohne Frontplatte und Gehäuse (0) sowie Einstellbereich 2,5A – 4,0A (6)
    Motorschutzschalter 500/10 – 06 nach TGL 16563

Diese Bezeichnungen können bei der Anfrage von DDR Elektronikersatzteilen alternativ zur Ausformulierung angewendet werden. Oder suchen Sie Ersatzteile für Orsta Hydraulik und Pneumatik?

Ausgewählte Bilder der Motorschutzschalter nach TGL 16563

Nachfolgend noch ein kleiner Auszug von vorhandenen Motorschutzschaltern der TGL 16563.